
Продовжуючи переглядати rc-hobby.com.ua ви
підтверджуєте що ознайомилися з Правилами користування
сайтом і погоджуєтеся з політикою конфіденційності
Я погоджуюсь
Готівкою кур'єру, післяплата, банківською карткою, платіжний термінал, безготівковий розрахунок
Купівля в кредит
Придбайте товар у розсрочку
обмін і повернення товару 14 днів
SunnySky X3520 V3 KV560 — це високопродуктивний безколекторний двигун третього покоління (V3) серії X. Він розроблений для авіамоделістів, які шукають ідеальний баланс між високим крутним моментом, енергоефективністю та легендарною витривалістю продукції SunnySky.
Оновлена серія V3 отримала суттєві покращення в системі охолодження та якості матеріалів.
Двигун оснащений японськими підшипниками NMB, що гарантує мінімальну вібрацію та тривалий термін служби. Завдяки використанню високотемпературних неодимових магнітів та прецизійної CNC-обробки корпусу з авіаційного алюмінію, мотор здатен витримувати пікову потужність до 2000 Вт.
Конфігурація 12N14P забезпечує плавну роботу та миттєвий відгук на ручку газу, що особливо важливо при виконанні складних пілотажних фігур. З показником Kv560 цей мотор оптимізований для роботи з акумуляторами 6S LiPo та великими пропелерами діаметром 12–14 дюймів, що дозволяє отримати стабільну тягу для літаків середнього та великого розміру.
Kv двигуна: 560.
Максимальна безперервна потужність: 2000 Вт (до 30 с).
Максимальний безперервний струм: 80 А.
Живлення: до 6S Li-ion/LiPo.
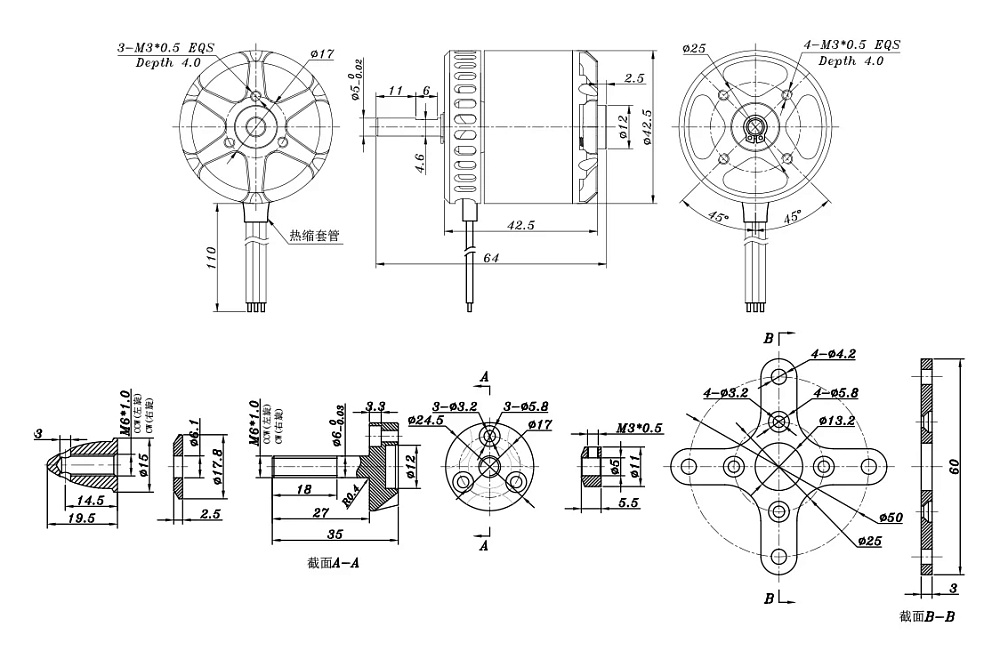
Діаметр статора: 35 мм.
Товщина статора: 20 мм.
Опір двигуна: 23 мОм.
Рекомендований ESC: 60–80 A.
Рекомендовані пропелери: APC128, APC126, APC136,5, APC138, APC14*7.
Вага: 219 г.
Комплектація:
Двигун SunnySky X3520 V3 — 1 шт.
Пакет аксесуарів (проп-адаптер, монтажна хрестовина, металовироби) — 1 уп.
SunnySky X3520 V3 KV560 є ідеальним вибором для спортивних та пілотажних літаків, а також масштабних копій літаків.
Його потужності достатньо для впевненого виконання 3D-пілотажу на моделях з розмахом крил близько 1.4–1.6 метра, де потрібна висока динаміка та надійність силової установки.
Магазин RC-Hobby пропонує гарантію та підтримку на всі куплені у нас радіокеровані моделі та обладнання.
Дізнавайтеся про знижки та умови доставки —
ЗАМОВЛЯЙТЕ!
Получить бонус
Відгуків поки ніхто не залишив. Ви будете першим